一、結果簡況
1、代謝物基本特征:
- 4.2V - 32V 寬市場規模重任輸入相電壓
- 2.0V - 32V 寬總量目標任務工作輸出電壓電流
- 融合二個13mΩ 功效轉換開關場相互作用管
- 可控制脈寬解調旌旗燈號或摹擬旌旗燈號對讀取電流大小或讀取端電壓中止動態代碼編程
- 調節控熱敏電阻來完成面板開關頻率和次數調節
- 調控次數打抖以順利完成優秀的電磁能攪擾防御
- 智能家居控制兩只場反應管柵極驅使
- 周到掩體的功效構成輸入效果擊穿掩體,逐周期性頂值電流量規定,環境溫度條理,過溫重啟,輸入效果欠壓掩體,輸入效果過壓掩體
- 雙輸送粗糙電壓降電流限定皮膚功效與作用,認識自己不會改變的電壓降條理環路
- QFN5x5-32封裝類型
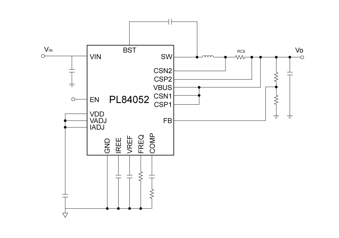
2、使用意思圖:
3、物品刻畫
PL84052是一個款PWM(脈寬調制解調)有有節制器,目的在于中用轉換線電壓為4.2V到24V的高功能搜集減壓 DC-DC 支配。PL84052得到勻速運動揭開時有有節制。依照規定FREQ引腳和GND引腳中間的相差電容值,開關按鈕頻度夠設備為150kHz或300kHz。該裝備還具備可編程的軟啟動功效,并供給各類掩護特征,包含周期性電流限定、輸出欠壓鎖定(UVLO)、輸出過壓掩護(OVP)、熱關斷和輸出短路掩護等。PL84052供給電壓節制回路、恒流回路和熱調理回路。
4、榜樣控制處景
- 汽車汽車開關體系中
- 加工業居民用電源供求平衡器
- USB24v電源網絡傳輸手藝人
5、封裝類型數據
6、管腳界說和效率贊美
管腳作用描敘
序號 | 稱號 | 描寫 |
---|---|---|
1 | BST | 為高側場效應管加強驅動器引腳。 |
2 | VIN | 輸出電壓 |
3 | CSP1 | 輸出1電流感到的正輸出 |
4 | DVIN | 輸出電壓 |
5 | AGND | 摹擬接地。將PGND和AGND在IC下的熱焊盤上毗連在一路。 |
6 | CSN1 | 輸出1電流感到的負輸出。 |
7 | EN | 邏輯高將啟用轉換器。拉低或浮動以禁用. |
8 | VDD | PL84052節制焦點的5.4V電源。 |
9 | VADJ | 將0-2V的摹擬電壓或PWM旌旗燈號毗連到VREF引腳以編程電壓參考。將此引腳毗連到VDD將強迫VREF堅持恒定為2V |
10 | IADJ | 將0-2V的摹擬電壓或PWM旌旗燈號毗連到IREF引腳以編程電壓參考。將此引腳毗連到VDD將強迫IREF為2V。 |
11 | IREF | 輸出電流限定環路的參考電壓。 |
12 | VREF | 電壓節制環路的電壓參考 |
13 | NC | NC,無收集 |
14 | AGND | 摹擬接地。將PGND和AGND在IC下的熱焊盤上毗連在一路。 |
15 | FREQ | 將GND毗連以設置開關頻次為150kHz。將此引腳毗連到VDD或懸空,以設置開關頻次為300kHz。倡議利用150kHz。 |
16 | COMP | 偏差縮小器輸出。 |
17 | FB | VBUS電壓反應。將電阻分壓器毗連在VBUS和GND之間到FB,以編程VBUS電壓。 |
18 | CSN2 | 輸出2電流感到的負輸出。 |
19 | CSP2 | 輸出2電流感到的正輸出。 |
20 | AGND | 摹擬接地。將PGND和AGND在IC下的熱焊盤上毗連在一路。 |
21 | SW | 將此引腳毗連到電壓的轉換點。 |
22 | VBUS | VBUS總線電壓。 |
23 | VCC | 5.0V 電源用于高側和低側驅動器。 |
24 | PGND | 電源地 |
25 | PGND | 電源地 |
26 | PGND | 電源地 |
27 | PGND | 電源地 |
28 | SW | 將此引腳毗連到電壓的轉換點。 |
29 | DVIN | 輸出電壓 |
30 | DVIN | 輸出電壓 |
31 | DVIN | 輸出電壓 |
32 | DVIN | 輸出電壓 |
二、工藝文檔文件
范例 | 標題 | 上傳時候 | 文檔下載 |
乙酰乙酸規格尺寸書(英文翻譯) | PL84052_Datasheet_en_R1.0 | 2025/05/30 | PDF下載 |
三、調控計劃書
序號 | 標題 |
1 |
車充45W-100W自力A+C計劃
|